Ремонт LCD монитора Bеlinеа 101705 и Веlinеа 111723
Содержание
- 1 Конструктивные узлы монитора belinia 101705
- 2 Монитор не включается, сетевой индикатор не светится
- 3 Сетевой индикатор не светится, ИП работает в режиме короткого замыкания «старт-стоп»
- 4 Монитор не работает, сетевой индикатор не светится, блок питания исправен
- 5 Сетевой индикатор янтарного цвета, изображение на экране отсутствует
- 6 Сетевой индикатор зеленого цвета, но изображение отсутствует
- 7 Отсутствует одна или несколько вертикальных линий на изображении
- 8 Нет звука
Рассмотрим типовые неисправности мониторов Belinea 101705 и Веlinеа 111723, методику поиска причин среди неисправных элементов и их устранение.
Начнем ремонт жк монитора Belinea 101705 с разборки с помощью схемы конструктивных узлов.
Внимание!
Если на Вашем мониторе мелкие элементы схем трудно различимы, нажимаем правой клавишей на необходимый рисунок и выбираем «Отрыть изображение».
Если после увеличения схемы, Вам непонятен ее смысл, соберите монитор и не рискуйте своим здоровьем и монитора. Обратитесь в сервисный центр по ремонту мониторов — это будет не только дешевле, но и безопасней!
Конструктивные узлы монитора belinia 101705
Монитор не включается, сетевой индикатор не светится
Подключаем lcd монитор Belinea к сети и проверяют наличие напряжения 300В на стоке транзистора Q801.
Схема 1 — Блок питания жк монитора Belinea 101705 и 111723

Если напряжение равно 0В, отключают монитор от сети и омметром проверяют на обрыв элементы F801, L802, L805, L808, R802, D801-D804, обмотку 1-3 Т801. Если неисправен предохранитель F801, то перед его заменой проверяют омметром на короткое замыкание элементы сетевого фильтра, резистор R801, диодный мост D801-D804, а также элементы С805, С813, D805, С806, D806, Q801.
В случае, если напряжение на стоке Q801 равно 300В, проверяют на обрыв резистор R811 и транзистор Q801. На выводе 7 Q801 должно быть постоянное напряжение 15…18В, а на выводе 8 — импульсы положительной полярности размахом около 10…12В.
Если нет питания вообще, то проверяют элементы D807, D809, С809, С810, обмотку 4-5 Т801. Если импульсов на выводе 8 нет, проверяют элементы «обвязки» микросхемы — R805-R808, Q807, С827. Есть вероятность выхода из строя стабилитрона D808, тогда работает токовая защита по выводу 5 трансформатора Т801. Если импульсы на выводе 8 трансформатора Т801 есть, а на стоке Q803 (размах импульсов должен быть 450…500 В) отсутствуют, проверяют элементы R811, Q801.
Сетевой индикатор не светится, ИП работает в режиме короткого замыкания «старт-стоп»
Если на стоке транзистора Q801 есть импульсы с периодом около 20 мс, а вторичные напряжения 12 и 3/5 В отсутствуют, проверяют обмотку 4-5 трансформатора Т801 и элементы выпрямителя D807, D809, С809, С810. Если они исправны, омметром проверяют на наличие короткого замыкания выходные цепи всех вторичных каналов блока, определяют место короткого замыкания и устраняют причину. При отсутствии во вторичных цепях короткого замыкания необходимо выпаять из платы трансформатор Т801 и проверить его обмотки на короткозамкнутые витки.
Монитор не работает, сетевой индикатор не светится, блок питания исправен
Под исправным блоком питания понимаем, что есть напряжения 12 и 3,3/5 В на разъеме Р802. С помощью вольтметра проверяют наличие напряжений 12 и 5 В на контактах 1, 4 разъема главной платы Р101.
Схема 2 — Блок питания. Элементы схемы питания монитора Belinea 101705 и 111723

- Если напряжений нет, возможно, нет контакта в этом разъеме или в разъеме Р802 на плате блока питания.
- Если напряжение 3,3 В не подается на микросхему 1106 (выводы 4 и 8), проверяют транзистор Q103 и резистор R108.
- Если напряжение 3,3 В подается на микросхему 1106, проверяют внешние элементы микроконтроллера: Х102, Q112, С200,1107. Если они исправны, микросхему 1106 придется заменить. Необходимо иметь в виду, что новая микросхема MTV312М64 должна иметь прошивку внутренней Flash-памяти для этой модели монитора.
Сетевой индикатор янтарного цвета, изображение на экране отсутствует
Вначале необходимо проверить, что источник сигнала (компьютер) включен, и интерфейсный кабель монитора подключен к источнику. Сигнал STDET на выводе 30 микросхемы 1106 должен быть активен (низкий уровень). Если этого нет, проверяют наличие контакта в разъеме Р102.
Схема 3 — Микроконтроллер MTV312M64 и панель управления монитора Belinea 101705 и 111723

Если все в норме, возможно, монитор находится в режиме энергосбережения и синхросигналы не поступают на его вход. Для контроля с помощью осциллографа проверяют их наличие на интерфейсном разъеме Р102.
Схема 4 — Входной интерфейс монитора

Иногда выходят из строя защитные стабилитроны на входе D109 и D110. Они проверяются омметром на короткое замыкание.
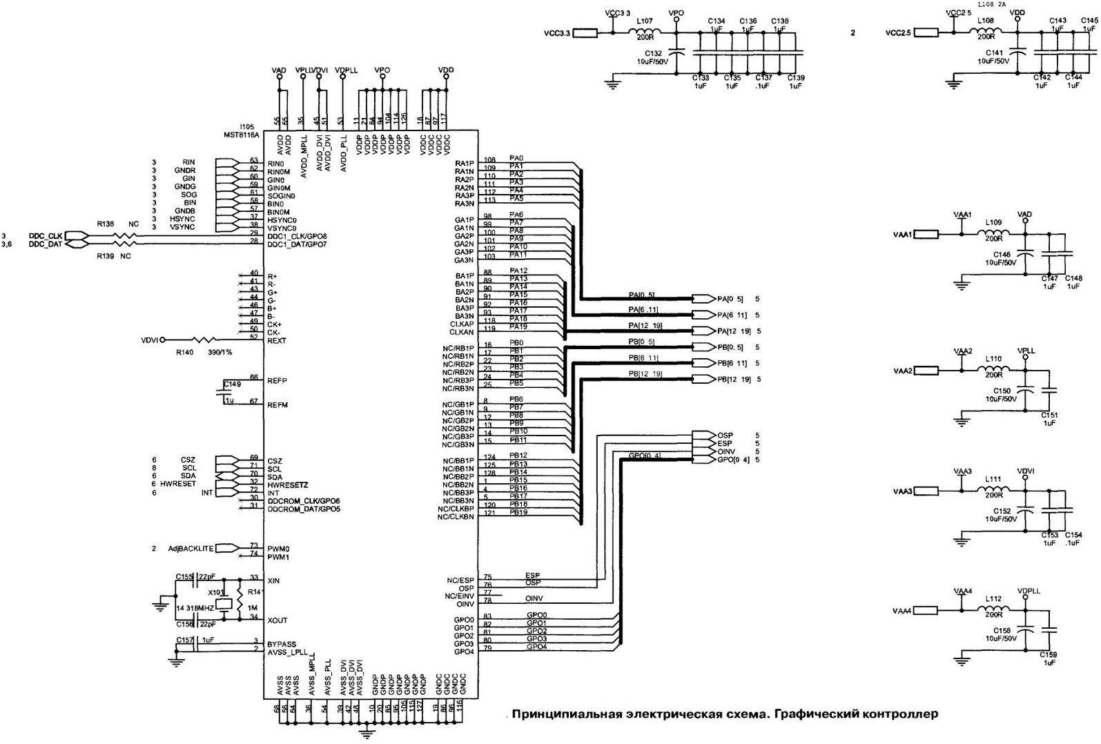
Если все сигналы есть, проверяют питание микросхемы 1105:
- 3,3 В на выводах 11,21,84, 94, 104, 114, 126. Если нет напряжения 3,3 В, проверяют стабилизатор 1102.
- 2,5 В на выводах 18, 87, 97, 117, , а если нет 2,5 В — стабилизатор 1101.
- прохождение синхросигналов на вход — выводах 37 и 38.
Наличие синхросигналов на входе микросхемы 1105 и их отсутствие на ее выходах, а также отсутствие обмена с микроконтроллером по интерфейсу l2C (выводы 70 и 71) говорит о ее неисправности.
Схема 5 — Графический микроконтроллер монитора belinia 101705

Если микросхема 1105 работает, возможно, неисправна кнопка включения монитора POWER — проверяют омметром эту кнопку и цепь от нее до вывода 41 микросхемы 1106.
Сетевой индикатор зеленого цвета, но изображение отсутствует
Вначале визуально проверяют работоспособность ламп подсветки ЖК матрицы монитора. Если они не светятся, проверяют наличие переменного напряжения 750…800 В частотой 40…50 кГц на разъемах Р901 и Р902.
Схема 6 — DC/AC преобразователь

Если напряжение равно 0, проверяют входные сигналы: ON/OFF — на базе Q903, Brightness — на аноде D902 и напряжение 12 В на F901, а также сам предохранитель на обрыв. Если все управляющие сигналы и напряжение 12 В присутствуют, необходим ремонт DC/AC преобразователя монитора Bеlinеа.
Если лампы подсветки работают, проверяют наличие напряжений 12 и 3,3 В соответственно на контактах 4, 5 и 7-9 разъема Р105.
Схема 7 — Интерфейс ЖК панели или матрицы монитора Bеlinеа 101705 и 111723

Если напряжения равны 0, проверяют наличие управляющих сигналов onPANEL_3.3V и onPANEL_12V (высокий — активный уровень) на базах Q109 и Q111 и исправность транзисторов Q108-Q111.
Затем проверяют наличие видеосигналов на интерфейсном разъеме Р102. Если их нет, проверяют видеокарту компьютера, она может быть неисправна.
Проверяют прохождение видеосигналов по тракту от интерфейсного разъема до разъема ЖК матрицы монитора. Если синхросигналы и видеосигналы на входе панели есть, а изображение нет, то необходимо ее заменить. При отсутствии сигналов на разъемах Р104, Р105 заменяют контроллер 1105.
Отсутствует одна или несколько вертикальных линий на изображении
Как правило, это связано с неисправностью дешифраторов ЖК матрицы. В этом случае придется заменить матрицу.
Нет звука
Сначала проверяют наличие входных звуковых сигналов — напряжения звуковой частоты размахом 0,25…0,5 В на контактах разъема Р603.
Схема 8 — Усилитель звуковой частоты

Чтобы быстро убедиться в работоспособности усилителя, достаточно коснуться металлическим пинцетом с не изолированными ручками до вывода 4 или 9 микросхемы 1601 — в динамиках должен появиться фон переменного тока.
Если сигналы не поступают на разъем Р603, проверяют источник сигнала и кабель. Если сигнал есть, проверяют следующие сигналы и напряжения:
- 12 В на выводах 15 и 16 микросхемы 1601;
- высокий уровень сигнала MUTE (пассивен) на базе транзистора Q601 (поступает с вывод 16 микросхемы 1106), он должен быть открыт и на выводах 11 и 12 1001 должен быть низкий потенциал менее 1,5 В.
Если указанные сигналы и напряжения есть, а звука нет — необходимо заменить микросхему TDA7496L.
Если у Вас возникли вопросы по поводу ремонта монитора жк Белинья, обратитесь в наш сервисный центр ремонта lcd мониторов в Харькове.