Обзор схем современных блоков питания
Содержание
- 1 Простейший импульсный БП
- 2 Блоки питания форм-фактора АТХ без коррекции коэффициента мощности
- 3 Блоки питания формата АТХ с коррекцией коэффициента мощности
- 4 Схема простого блока питания на двухканальном ШИМ-контролере
- 5 Конструктивные особенности и типы разъемов
- 6 Электрические параметры и характеристики блоков питания
- 7 Мощность блока питания
- 8 Стандарты и сертификаты
- 9 Рекомендации по выбору блока питания
Неотъемлемой частью каждого компьютера является блок питания (БП). Он важен так же, как и остальные части компьютера. При этом покупка блока питания осуществляется достаточно редко, т. к. хороший БП может обеспечить питанием несколько поколений систем. Учитывая все это к приобретению блока питания необходимо отнестись очень серьезно, так как судьба компьютера в прямой зависимости от работы блока питания.
Основное назначение блока питания — формирование напряжения питания, которое необходимо для функционирования всех блоков ПК. Основные напряжения питания компонентов это:
- +12В
- +5В
- +3,3В
Существуют также дополнительное напряжение:
- −12В
- −5В
Еще блок питания осуществляет гальваническую развязку между сетью 220В и компонентами компьютера. Это необходимо для устранения токов утечек, например чтобы корпус ПК не бился током, а также препятствует возникновению паразитных токов при сопряжении устройств.
Для осуществления гальванической развязки достаточно изготовить трансформатор с необходимыми обмотками. Но для питания компьютера нужна немалая мощность, особенно для современных ПК. Для питания компьютера пришлось бы изготовлять трансформатор, который имел бы не только большой размер, но и очень много весил. Однако с ростом частоты питающего тока трансформатора для создания того же магнитного потока необходимо меньше витков и меньше сечение магнитопровода. В блоках питания, построенных на основе преобразователя, частота питающего напряжения трансформатора в 1000 и более раз выше. Это позволяет создавать компактные и легкие блоки питания.
Простейший импульсный БП
Рассмотрим блок-схему простого импульсного блока питания, который лежит в основе всех импульсных блоков питания.
Блок схема импульсного блока питания.
Первый блок осуществляет преобразование переменного напряжения сети в постоянное. Такой преобразователь состоит из диодного моста, выпрямляющего переменное напряжение, и конденсатора, сглаживающего пульсации выпрямленного напряжения. В этом боке также находятся дополнительные элементы: фильтры сетевого напряжения от пульсаций генератора импульсов и термисторы для сглаживания скачка тока в момент включения. Однако эти элементы могут отсутствовать с целью экономии на себестоимости.
Следующий блок – генератор импульсов, который генерирует с определенной частотой импульсы, питающие первичную обмотку трансформатора. Частота генерирующих импульсов разных блоков питания различна и лежит в пределах 30 – 200 кГц. Трансформатор осуществляет главные функции блока питания: гальваническую развязку с сетью и понижение напряжения до необходимых значений.
Переменное напряжение, получаемое от трансформатора, следующий блок преобразует в постоянное напряжение. Блок состоит из диодов выпрямляющих напряжение и фильтра пульсаций. В этом блоке фильтр пульсаций намного сложнее, чем в первом блоке и состоит из группы конденсаторов и дросселя. С целью экономии производители могут устанавливать конденсаторы малой емкости, а также дроссели с малой индуктивностью.
Первый импульсный блок питания представлял собой двухтактный или однотактный преобразователь. Двухтактный означает, что процесс генерации состоит из двух частей. В таком преобразователе по очереди открываются и закрываются два транзистора. Соответственно в однотактном преобразователе один транзистор открывается и закрывается. Схемы двухтактного и однотактного преобразователей представлены ниже.

Принципиальная схема преобразователя.
Рассмотрим элементы схемы подробнее:
- Х2 — разъем источник питания схемы.
- Х1 — разъем с которого снимается выходное напряжение.
- R1 — сопротивление, задающее начальное небольшое смещение на ключах. Оно необходимо для более стабильного запуска процесса колебаний в преобразователе.
- R2 — сопротивление, которое ограничивает ток базы на транзисторах, это необходимо для защиты транзисторов от сгорания.
- ТР1 — Трансформатор имеет три группы обмоток. Первая выходная обмотка формирует выходное напряжение. Вторая обмотка служит нагрузкой для транзисторов. Третья формирует управляющее напряжение для транзисторов.
В начальный момент включения первой схемы транзистор немного приоткрыт, т. к. к базе через резистор R1 приложено положительное напряжение. Через приоткрытый транзистор протекает ток, который также протекает и через II обмотку трансформатора. Ток, протекающий через обмотку, создает магнитное поле. Магнитное поле создает напряжение в остальных обмотках трансформатора. В следствии на обмотке III создается положительное напряжение, которое еще больше открывает транзистор. Процесс происходит до тех пор, пока транзистор не попадет в режим насыщения. Режим насыщения характеризуется тем, что при увеличении приложенного управляющего тока к транзистору выходной ток остается неизменным.
Так как напряжение в обмотках генерируется только в случае изменения магнитного поля, его роста или падения, то отсутствие роста тока на выходе транзистора, следовательно, приведет к исчезновению ЭДС в обмотках II и III. Пропадание напряжения в обмотке III приведет к уменьшению степени открытия транзистора. И выходной ток транзистора уменьшится, следовательно, и магнитное поле будет уменьшаться. Уменьшение магнитного поля приведет к созданию напряжения противоположной полярности. Отрицательное напряжение в обмотке III начнет еще больше закрывать транзистор. Процесс будет длиться до тех пор, пока магнитное поле полностью не исчезнет. Когда магнитное поле исчезнет, отрицательное напряжение в обмотке III тоже исчезнет. Процесс снова начнет повторяться.
Двухтактный преобразователь работает по такому же принципу, но отличие в том, что транзисторов два, и они по очереди открываются и закрываются. То есть когда один открыт — другой закрыт. Схема двухтактного преобразователя обладает большим преимуществом, так как использует всю петлю гистерезиса магнитного проводника трансформатора. Использование только одного участка петли гистерезиса или намагничивание только в одном направлении приводит к возникновению многих нежелательных эффектов, которые снижают КПД преобразователя и ухудшают его характеристики. Поэтому в основном везде применяется двухтактная схема преобразователя с фазосдвигающим трансформатором. В схемах, где нужна простота, малые габариты, и малая мощность все же используется однотактная схема.
Блоки питания форм-фактора АТХ без коррекции коэффициента мощности
Преобразователи, рассмотренные выше, хоть и законченные устройства, но в практике их использовать неудобно. Частота преобразователя, выходное напряжение и многие другие параметры «плавают», изменяются в зависимости от изменения: напряжения питания, загруженности выхода преобразователя и температуры. Но если ключами управлять контроллером, который бы мог осуществлять стабилизацию и различные дополнительные функции, то можно использовать схему для питания устройств. Схема блока питания с применением ШИМ-контроллера довольно проста, и, в общем, представляет собой генератор импульсов, построенный на ШИМ-котроллере.
ШИМ – широтно-импульсная модуляция. Она позволяет регулировать амплитуду сигнала прошедшего ФНЧ (фильтр низких частот) с изменением длительности или скважности импульса. Главные достоинства ШИМ это высокое значение КПД усилителей мощности и большие возможности в применении.

Схема простого блока питания с ШИМ контроллером.
Данная схема блока питания имеет небольшую мощность и в качестве ключа использует полевой транзистор, что позволяет упростить схему и избавиться от дополнительных элементов, необходимых для управления транзисторных ключей. В блоках питания большой мощности ШИМ-контроллер имеет элементы управления («Драйвер») выходным ключом. В качестве выходных ключей в блоках питания большой мощности используются IGBT-транзисторы.
Сетевое напряжение в данной схеме преобразуется в постоянное напряжение и чрез ключ поступает на первую обмотку трансформатора. Вторая обмотка служит для питания микросхемы и формирования напряжения обратной связи. ШИМ-котроллер генерирует импульсы с частотой, которая задана RC-цепью подключенной к ножке 4. Импульсы подаются на вход ключа, который их усиливает. Длительность импульсов изменяется в зависимости от напряжения на ножке 2.
Рассмотрим реальную схему АТХ блока питания. Она имеет намного больше элементов и в ней присутствуют еще дополнительные устройства. Красными квадратами схема блока питания условно поделена на основные части.

Схема АТХ блока питания мощностью 150–300 Вт
Для питания микросхемы контроллера, а также формирования дежурного напряжения +5, которое используется компьютером, когда он выключен, в схеме находиться еще один преобразователь. На схеме он обозначен как блок 2. Как видно он выполнен по схеме однотактного преобразователя. Во втором блоке также есть дополнительные элементы. В основном это цепочки поглощения всплесков напряжений, которые генерируются трансформатором преобразователя. Микросхема 7805 – стабилизатор напряжения формирует дежурное напряжение +5В из выпрямленного напряжения преобразователя.
Зачастую в блоке формирования дежурного напряжения установлены некачественные или дефектные компоненты, что вызывает снижение частоты преобразователя до звукового диапазона. В результате чего из блока питания слышен писк.
Так как блок питания питается от сети переменного напряжения 220В, а преобразователь нуждается в питании постоянным напряжением, напряжение необходимо преобразовать. Первый блок осуществляет выпрямление и фильтрацию переменного сетевого напряжения. В этом блоке также находится заграждающий фильтр от помех, генерируемых самим блоком питания.
Третий блок это ШИМ-контроллер TL494. Он осуществляет все основные функции блока питания. Защищает блок питания от коротких замыканий, стабилизирует выходные напряжения и формирует ШИМ-сигнал для управления транзисторными ключами, которые нагружены на трансформатор.
Четвертый блок состоит из двух трансформаторов и двух групп транзисторных ключей. Первый трансформатор формирует управляющее напряжение для выходных транзисторов. Поскольку ШИМ-контроллер TL494 генерирует сигнал слабой мощности, первая группа транзисторов усиливает этот сигнал и передает его первому трансформатору. Вторая группа транзисторов, или выходные, нагружены на основной трансформатор, который осуществляет формирование основных напряжений питания. Такая более сложная схема управления выходными ключами применена из-за сложности управления биполярными транзисторами и защиты ШИМ-контроллера от высокого напряжения.
Пятый блок состоит из диодов Шоттки, выпрямляющих выходное напряжение трансформатора, и фильтра низких частот (ФНЧ). ФНЧ состоит из электролитических конденсаторов значительной емкости и дросселей. На выходе ФНЧ стоят резисторы, которые нагружают его. Эти резисторы необходимы для того, чтобы после выключения емкости блока питания не оставались заряженными. Также резисторы стоят и на выходе выпрямителя сетевого напряжения.
Оставшиеся элементы, не обведенные в блоке это цепочки, формируют «сигналы исправности». Этими цепочками осуществляется работа защиты блока питания от короткого замыкания или контроль исправности выходных напряжений.

Блок питания АТХ мощностью 200 Вт
Теперь посмотрим, как на печатной плате блока питания мощностью 200 Вт расположены элементы. На рисунке показаны:
- Конденсаторы, выполняющие фильтрацию выходных напряжений.
- Место не распаянных конденсаторов фильтра выходных напряжений.
- Катушки индуктивности, выполняющие фильтрацию выходных напряжений. Более крупная катушка играет роль не только фильтра, но и еще работает в качестве ферромагнитного стабилизатора. Это позволяет немного снизить перекосы напряжений при неравномерной нагрузке различных выходных напряжений.
- Микросхема ШИМ-стабилизатора WT7520.
- Радиатор на котором установлены диоды Шоттки для напряжений +3.3В и +5В, а для напряжения +12В обычные диоды. Необходимо отметить, что часто особенно в старых блоках питания, на этом же радиаторе размещаются дополнительно элементы. Это элементы стабилизации напряжений +5В и +3,3В. В современных блоках питания размещаются на этом радиаторе только диоды Шоттки для всех основных напряжений или полевые транзисторы, которые используются в качестве выпрямительного элемента.
- Основной трансформатор, который осуществляет формирование всех напряжений, а также гальваническую развязку с сетью.
- Трансформатор, формирующий управляющие напряжения для выходных транзисторов преобразователя.
- Трансформатор преобразователя, формирующий дежурное напряжение +5В.
- Радиатор, на котором размещены выходные транзисторы преобразователя, а также транзистор преобразователя формирующего дежурное напряжение.
- Конденсаторы фильтра сетевого напряжения. Их не обязательно должно быть два. Для формирования двухполярного напряжения и образования средней точки устанавливают два конденсатора равной емкости. Они делят выпрямленное сетевое напряжение пополам, тем самым формируя два напряжения разной полярности, соединенных в общей точке. В схемах с однополярным питанием конденсатор один.
- Элементы фильтра сети от гармоник (помех), генерирующихся блоком питания.
- Диоды диодного моста, осуществляющие выпрямление переменного напряжения сети.

Блок питания АТХ мощностью 350 Вт
Блок питания 350 Вт устроен эквивалентно. Сразу бросается в глаза больших размеров плата, увеличенные радиаторы и большего размера трансформатор преобразователя.
- Конденсаторы фильтра выходных напряжений.
- Радиатор, охлаждающий диоды, выпрямляющие выходное напряжение.
- ШИМ-контролер АТ2005 (аналог WT7520), осуществляющий стабилизацию напряжений.
- Основной трансформатор преобразователя.
- Трансформатор, формирующий управляющее напряжение для выходных транзисторов.
- Трансформатор преобразователя дежурного напряжения.
- Радиатор, охлаждающий выходные транзисторы преобразователей.
- Фильтр сетевого напряжения от помех блока питания.
- Диоды диодного моста.
- Конденсаторы фильтра сетевого напряжения.
Рассмотренная схема долго применялась в блоках питания и сейчас иногда встречается.
Блоки питания формата АТХ с коррекцией коэффициента мощности
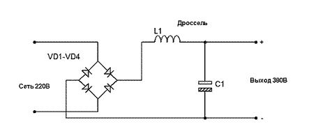
В рассмотренных схемах нагрузкой сети служит конденсатор, подключаемый к сети через диодный мост. Заряд конденсатора происходит только в том случае если на нем напряжение меньше чем сетевое. В результате ток носит импульсный характер, что имеет множество недостатков.

Мостовой выпрямитель напряжения
Перечислим эти недостатки:
- токи вносят в сеть высшие гармоники (помехи);
- большая амплитуда тока потребления;
- значительная реактивная составляющая в токе потребления;
- сетевое напряжение не используется в течение всего периода;
- КПД таких схем имеет небольшое значение.
Новые блоки питания имеют усовершенствованную современную схему, в ней появился еще один дополнительный блок – корректор коэффициента мощности (ККМ). Он осуществляет повышение коэффициента мощности. Или более простым языком убирает некоторые недостатки мостового выпрямителя сетевого напряжения.
S=P + jQ
Формула полной мощности
Коэффициент мощности (КМ) характеризует, сколько в полной мощности активной составляющей и сколько реактивной. В принципе, можно сказать, а зачем учитывать реактивную мощность, она же мнимая и не несет пользу.

Формула коэффициента мощности
Допустим, у нас есть некий прибор, блок питания, с коэффициентом мощности 0,7 и мощностью 300 Вт. Видно из расчетов, что наш блок питания имеет полную мощность (сумму реактивной и активной мощности) больше, чем указанная на нем. И эту мощность должна дать сеть питания 220В. Хотя эта мощность не несет пользы (даже счетчик электричества ее не фиксирует) она все же существует.
![]()
Расчет полной мощности блока питания
То есть внутренние элементы и сетевые провода должны быть рассчитаны на мощность 430 Вт, а не 300 Вт. А представьте себе случай, когда коэффициент мощности равен 0,1 … Из-за этого ГОРСЕТЬЮ запрещается использовать приборы с коэффициентом мощности менее 0,6, а в случае обнаружения таковых на владельца налагается штраф.
Соответственно кампаниями были разработанные новые схемы блоков питания, которые имели ККМ. Вначале в качестве ККМ использовался включенный на входе дроссель большой индуктивности, такой блок питания называют блок питания с PFC или пассивным ККМ. Подобный блок питания обладает повышенным КМ. Для достижения нужного КМ необходимо оснащать блоки питания большим дросселем, так как входное сопротивление блока питания носит емкостной характер из-за установленных конденсаторов на выходе выпрямителя. Установка дросселя значительно увеличивает массу блока питания, и повышает КМ до 0,85, что не так уж и много.

400 Вт блок питания с пассивной коррекцией коэффициента мощности
На рисунке представлен блок питания компании FSP мощностью 400 Вт с пассивной коррекцией коэффициента мощности. Он содержит следующие элементы:
- Конденсаторы фильтра выпрямленного сетевого напряжения.
- Дроссель, осуществляющий коррекцию коэффициента мощности.
- Трансформатор главного преобразователя.
- Трансформатор, управляющий ключами.
- Трансформатор вспомогательного преобразователя (дежурного напряжения).
- Фильтры сетевого напряжения от пульсаций блока питания.
- Радиатор, на котором установлены выходные транзисторные ключи.
- Радиатор, на котором установлены диоды, выпрямляющие переменное напряжение главного трансформатора.
- Плата управления скоростью вращения вентилятора.
- Плата, на которой установлен ШИМ-контроллер FSP3528 (аналог KA3511).
- Дроссель групповой стабилизации и элементы фильтра пульсаций выходного напряжения.
- Конденсаторы фильтра пульсаций выходного напряжения.

Включение дросселя для коррекции КМ
Вследствие не высокой эффективности пассивной ККМ в блок питания была введена новая схема ККМ, которая построена на основе ШИМ-стабилизатора, нагруженного на дроссель. Эта схема приносит множество плюсов блоку питанию:
- расширенный диапазон рабочих напряжений;
- появилась возможность значительно уменьшить емкость конденсатора фильтра сетевого напряжения;
- значительно повышенный КМ;
- уменьшение массы блока питания;
- увеличение КПД блока питания.
Есть и недостатки у этой схемы – это снижение надежности БП и некорректная работа с некоторыми источниками бесперебойного питания при переключениях режимов работы батарея / сеть. Некорректная работа этой схемы с ИБП вызвана тем, что в схеме существенно снизилась емкость фильтра сетевого напряжения. В момент, когда кратковременно пропадает напряжение, сильно возрастает ток ККМ, необходимый для поддержания напряжения на выходе ККМ, в результате чего срабатывает защита от КЗ (короткого замыкания) в ИБП.

Схема активного корректора коэффициента мощности
Если посмотреть на схему, то она представляет собой генератор импульсов, который нагружен на дроссель. Сетевое напряжение выпрямляется диодным мостом и подается на ключ, который нагружен дросселем L1 и трансформатором Т1. Трансформатор введен для обратной связи контроллера с ключом. Напряжение с дросселя снимается с помощью диодов D1 и D2. Причем напряжение снимается поочередно с помощью диодов, то с диодного моста, то с дросселя, и заряжает конденсаторы Cs1 и Cs2. Ключ Q1 открывается и в дросселе L1 накапливается энергия нужной величины. Размер накопленной энергии регулируется длительностью открытого состояния ключа. Чем больше накоплено энергии, тем большее напряжение отдаст дроссель. После выключения ключа происходит отдача накопленной энергии дросселем L1 через диод D1 конденсаторам.
Такая работа позволяет использовать полностью всю синусоиду переменного напряжения сети в отличие от схем без ККМ, а также стабилизировать напряжение, питающее преобразователь.
В современных схемах блоков питания, часто применяют двухканальные ШИМ-контроллеры. Одна микросхема осуществляет работу, как преобразователя, так и ККМ. В результате существенно снижается количество элементов в схеме блока питания.

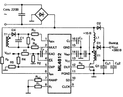
Схема простого блока питания на двухканальном ШИМ-контролере
Рассмотрим схему простого блока питания на 12В с использованием двуканального ШИМ-контроллера ML4819. Одна часть блока питания осуществляет формирование постоянного стабилизированного напряжения +380В. Другая часть представляет собой преобразователь, формирующий постоянное стабилизированное напряжение +12В. ККМ состоит, как и в выше рассмотренном случае, из ключа Q1, нагруженного на него дросселя L1 трансформатора Т1 обратной связи. Диоды D5, D6 заряжают конденсаторы С2,° C3,° C4. Преобразователь состоит из двух ключей Q2 и Q3, нагруженных на трансформатор Т3. Импульсное напряжение выпрямляется диодной сборкой D13 и фильтруется дросселем L2 и конденсаторами С16,° C18. С помощью патрона U2 формируется напряжение регулирования выходного напряжения.

Блок питания GlacialPower GP-AL650AA
Рассмотрим конструкцию блока питания, в которой есть активный ККМ:
- Плата управления токовой защитой;
- Дроссель, выполняющий роль как фильтра напряжений +12В и +5В, так и функцию групповой стабилизации;
- Дроссель фильтра напряжения +3,3В;
- Радиатор, на котором размещены выпрямительные диоды выходных напряжений;
- Трансформатор главного преобразователя;
- Трансформатор, управляющий ключами главного преобразователя;
- Трансформатор вспомогательного преобразователя (формирующий дежурное напряжение);
- Плата контроллера коррекции коэффициента мощности;
- Радиатор, охлаждающий диодный мост и ключи главного преобразователя;
- Фильтры сетевого напряжения от помех;
- Дроссель корректора коэффициента мощности;
- Конденсатор фильтра сетевого напряжения.
Конструктивные особенности и типы разъемов
Рассмотрим виды разъемов, которые могут присутствовать на блоке питания. На задней стенке блока питания размещается разъем для подключения сетевого кабеля и выключатель. Раньше рядом с разъемом сетевого шнура размещался также разъем для подключения сетевого кабеля монитора. Опционально могут присутствовать и другие элементы:
- индикаторы сетевого напряжения, или состояния работы блока питания
- кнопки управления режимом работы вентилятора
- кнопка переключения входного сетевого напряжения 110 / 220В
- USB-порты встроенные в блок питания USB hub
- другое.

На задней стенке все реже размещают вентиляторы, вытягивающие из блока питания воздух. Все чаше вентилятор размещают в верхней части блока питания из-за большего пространства для установки вентилятора, что позволяет установить большой и тихий активный элемент охлаждения. На некоторых блоках питания устанавливают даже два вентилятора и сверху и сзади.

Блок питания Chieftec CFT-1000G-DF
С передней стенки выходит провод с разъемом подключения питания материнской платы. В некоторых блоках питания, модульных, он, как и другие провода, подключается через разъем. Ниже на рисунке указана распиновка контактов всех основных разъемов.

Можно заметить, что каждое напряжение имеет свой цвет провода:
- Желтый цвет — +12 В
- Красный цвет — +5 В
- Оранжевый цвет — +3,3В
- Черный цвет — общий или земля
Для остальных напряжений цвета проводов у каждого производителя могут варьироваться.
На рисунке не отображены разъемы дополнительного питания видеокарт, так как они подобны разъема дополнительного питания процессора. Также существуют другие виды разъемов, которые встречаются в компьютерах фирменной сборки компаний DelL, Apple и других.

Электрические параметры и характеристики блоков питания
Блок питания имеет множество электрических параметров, большинство из которых не отмечаются в паспорте. На боковой наклейке блока питания отмечается обычно только несколько основных параметров – рабочие напряжения и мощность.
Мощность блока питания
Мощность часто обозначают на этикетке большим шрифтом. Мощность блока питания, характеризует, сколько он может отдать электрической энергии подключаемым к нему приборам (материнская плата, видеокарта, жесткий диск и др.).
По идее, достаточно просуммировать потребление используемых компонентов и выбрать блок питание немного большей мощности для запаса. Для подсчета мощности вполне годятся рекомендации указанные в паспорте видеокарты, если таковой есть, тепловой пакет процессора и т. д.
Но на самом деле все намного сложнее, т. к. блок питания выдает различные напряжения — 12В, 5В, −12В, 3,3В и др. Каждая линия напряжения рассчитана на свою мощность. Логично было подумать, что эта мощность фиксированная, а сума их равна мощности блока питания. Но в блоке питания стоит один трансформатор для генерации всех этих напряжений, используемых компьютером (кроме дежурного напряжения +5В). Правда, редко, но все же можно найти блок питания с двумя раздельными трансформаторами, но такие источники питания дорогие и чаще всего используются в серверах. Обычные же БП ATX имеют один трансформатор. Из-за этого мощность каждой линии напряжений может плавать: увеличивается, если другие линии слабо нагружены, и уменьшаться, если остальные линии сильно нагружены. Поэтому часто на блоках питания пишут максимальную мощность каждой линии, и в результате, если их просуммировать, выйдет мощность даже больше, чем действительная мощность блока питания. Таким образом, производитель может запутать потребителя, например, заявляя слишком большую номинальную мощность, которую БП обеспечить не способен.
Отметим, что если в компьютере установлен блок питания недостаточной мощности, то это вызовет не корректную работу устройств («зависания», перезагрузки, щелкание головок жесткого диска), вплоть до невозможности включения компьютера. А если в ПК установлена материнская плата, которая не рассчитана на мощность компонентов, которые на ней установлены, то зачастую материнская плата функционирует нормально, но со временем разъемы подключения питания выгорают вследствие постоянного их нагрева и окисления.

Стандарты и сертификаты
При покупке БП, в первую очередь необходимо посмотреть на наличие сертификатов и на соответствие его современным международным стандартам. На блоках питания чаще всего можно встретить указание следующих стандартов:
- RoHS, WEEE – не содержит вредных веществ
- UL, cUL – сертификат на соответствие своим техническим характеристикам, а также требованиям безопасности для встроенных электроприборов
- CE — сертификат который показывает, что блок питания соответствует строжайшим требованиям директив европейского комитета
- ISO – международный сертификат качества
- CB — международный сертификат соответствия своим техническим характеристикам
- FCC – соответствие нормам электромагнитных наводок (EMI) и радионаводок (RFI), генерируемых блоком питания
- TUV — сертификат соответствия требованиям международного стандарта ЕН ИСО 9001:2000
- ССС – сертификат Китая соответствия безопасности, электромагнитным параметрам и защите окружающей среды
Также есть компьютерные стандарты форм-фактора АТХ, в котором определены размеры, конструкция и многие другое параметры блока питания, включая допустимые отклонения напряжений при нагрузке. Сегодня существуют несколько версий стандарта АТХ:
- ATX 1.3 Standard
- ATX 2.0 Standard
- ATX 2.2 Standard
- ATX 2.3 Standard
Отличие версий стандартов АТХ в основном касается введения новых разъемов и новых требованиям к линиям питания блока питания.
Рекомендации по выбору блока питания
Когда возникает необходимость покупки нового блока питания ATX, то вначале необходимо определится с мощностью, которая необходима для питания компьютера, в который этот БП будет установлен. Для ее определения достаточно просуммировать мощности компонентов, используемых в системе, например воспользовавшись специальным калькулятором. Если нет такой возможности, то можно исходить из правила, что для среднестатистического компьютера с одной игровой видеокартой вполне хватает блока питания мощностью 500–600 ватт.
Учитывая, что большинство параметров блоков питания можно узнать только протестировав его, следующим этапом настоятельно рекомендуем ознакомиться с тестами и обзорами возможных претендентов — моделей блоков питания, которые доступны в вашем регионе и удовлетворяю ваши запросы как минимум по обеспечиваемой мощности. Если же таковой возможности нет, то выбирать необходимо по соответствию блока питания современным стандартам (чем большему числу, тем лучше), при этом желательно наличие в блоке питания схемы АККМ (APFC). Приобретая блок питания, также важно включить его, по возможности прямо на месте покупки или сразу по приходу домой, и проследить, как он работает, чтоб источник питания не издавал писков, гудения или другого постороннего шума.
В общем, необходимо выбрать блок питания, который был бы мощным, качественно сделанным, с хорошими заявленными и реальными электрическими параметрами, а также окажется удобным в эксплуатации и тихим во время работы, даже при высокой нагрузке на него. И ни в коем случае при покупке источника питания не стоит экономить пару долларов. Помните, что от работы этого устройства главным образом зависит стабильность, надежность и долговечность работы всего компьютера.